LYNCH BAR MANIFOLDS & ACCESSORIES
STANDARD SPECIFICATIONS
Standard Materials:
Aluminum-6061T6 and Ductile-654512
Other Material Options:
Mild Steel or Stainless Steel
Maximum Pressure:
Alu 3,000 PSI, Duc 5,000 PSI
Special Finishes:
Black Oxide, Electroless Nickel Plating, Anodizing
APPLICATIONS
System diagnostic and monitoring - Gauge ports are easily added to one or several ports of a directional valve to monitor the system.
Tunnel Boring Machines - Raising a stack of valves. Bar Manifold assemblies may get crowded when a somewhat complex system is assembled in such a compact space. A Tapping Plate can be used to move certain valves up when needed.
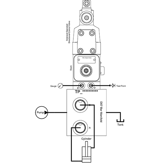
Tapping Plates are sandwich adapters designed to provide a means to easily take pressure readings from the work ports. Tapping Plates are designed for the purpose of adding a gauge port or test port to the circuit. All four PABT ports are standard for D07, D08 & D10 valve interfaces.
FEATURES AND BENEFITS
- Clearance holes are designed to accommodate either UNC or Metric interface fasteners.
- Standard Connection Points are P & A, P & B, P & T, and A & B for all solenoid interfaces up to D08 size.
- Standard Connection Points for P, A, B & T ports are available for D07, D08 & D10 sizes. D05 size is available on request.
- Nominal ¼" Connection Points for test points as shown are Standard. Larger port sizes for higher flows are available on request.
- Viton O rings and locating pins are supplied as standard.
- Tapping Plates for Servo Valves are available.
- Special Tapping Plates can be ordered for external pressure connections from a secondary pressure source.
BLOCK DIAGRAM
BUILD A VALVE ADAPTER
- SITE MAP
- PRODUCTS
- PARTNERS
NEWSLETTER





